产品特点
1. 美观耐用,表面处理精细,柔韧性好,不易老化破损,十字型设计穿线方便无需另外开孔,起到一定的防尘作用。
2. 实用性强,针对常规及部分异形孔洞,避免孔洞边缘刮伤线缆外皮,防护效果显著,安装方便。
3. 适用性广泛,广泛应用于办公设备、家电、运动器材、自动化机械等领域的线缆防护场景。
4. 规格齐全,满足不同设备开孔与线缆的适配需求。
5. 环保产品,安装使用时对环境无污染,提升目标产品品质。
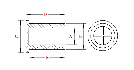
产品尺寸

| 产品编码 | 规格 | A内径 | B 孔径 | C 外径 | D 总厚 | E 内深 | 包装/只 |
|---|---|---|---|---|---|---|---|
| HXD001 | HP10 | 6 | 10 | 14 | 10 | 8 | 1000 |
| HXD002 | HP12 | 8 | 12 | 15 | 10 | 8 | 1000 |
| HXD003 | HP14 | 10 | 14 | 17 | 11 | 9 | 200 |
| HXD004 | HP16 | 11 | 16 | 20 | 11 | 9 | 200 |
| HXD005 | HP20 | 14 | 20 | 25 | 12 | 10 | 200 |
| HXD006 | HP22 | 16 | 22 | 28 | 12 | 10 | 200 |
| HXD007 | HP25 | 18 | 25 | 30 | 12 | 10 | 200 |
| HXD008 | HP28 | 21 | 28 | 32 | 12 | 10 | 200 |
| HXD009 | HP30 | 21 | 30 | 35 | 12 | 10 | 200 |
| HXD010 | HP32 | 25 | 32 | 38 | 12 | 10 | 200 |
| HXD011 | HP35 | 27 | 35 | 40 | 12 | 10 | 200 |
| HXD012 | HP40 | 33 | 40 | 45 | 12 | 10 | 200 |
| HXD013 | HP45 | 38 | 45 | 50 | 12 | 10 | 200 |
| HXD014 | HP50 | 42 | 50 | 60 | 14 | 11 | 100 |
| HXD015 | HP60 | 51 | 60 | 65 | 14 | 10 | 100 |

备注:网页所标价格非销售价格,详情请咨询来电,价格更优惠哦

